Skip to content
English
Search
Close
達立錡科技有限公司
首頁
關於我們 +
公司簡介
最新消息
產品 +
光電開關
光電素子
光纖放大器/光纖線
標誌檢出器
近接開關
靜電容開關
磁簧開關.霍爾開關
光幕
光數據傳輸裝置
技術文件
聯絡我們
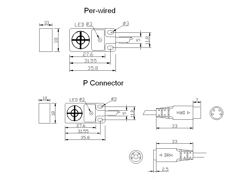
18*18 上方感應近接開關
相關檔案下載
列印
產品描述
.耐酸鹼
– PBT
強化塑膠外殼。
.全系列
-
換裝方便快速接頭型
。
.檢出距離:
5 mm
~
7 mm
。
詳細規格
選 購 型 號
規 格
尺 寸 圖
返回
產品列表
光電開關
光電素子
光纖放大器/光纖線
標誌檢出器
近接開關
靜電容開關
磁簧開關.霍爾開關
光幕
光數據傳輸裝置
創新技術.卓越品質.積極服務